O multiplexador é um circuito combinacional, que possui várias entradas de dados e seleciona uma delas para transmitir na única saída.
Caso não saiba o que é um circuito combinacional, clique no link a seguir.
Post sobre circuitos combinacionaisClique aqui
O que é o multiplexador?
O multiplexador (MUX) possui entradas de dados, uma única saída de dados e entradas de seleção, que determinam qual entrada corresponderá à saída em um intervalo de tempo, geralmente as entradas de seleção são chamadas de entradas de endereço.

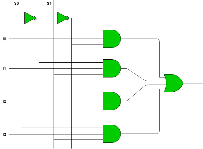
Os multiplexadores geralmente possuem 2, 4, 8 ou 16 entradas ou canais. Então, o número de entradas de seleção devem ser 1, 2, 3 ou 4, respectivamente. O multiplexador é um dos circuitos digitais mais importantes na eletrônica digital e nas telecomunicações, é usado quando precisa transmitir informação de várias fontes em um único canal.
Circuitos multiplexadores
Multiplexador 2 por 1
Este é um projeto de multiplexador para funcionar conforme o circuito digital abaixo.

Para implementar este circuito desta forma, seriam necessários três circuitos integrados. Porém, é possível manipular a expressão lógica abaixo, para usar apenas as portas NAND de um único chip.
Z=I_{o}\cdot\overline{S}+I_{1}\cdot S
Modificando a expressão usando o Teorema de De Morgan.
Z=\overline{\overline{I_{o}\cdot\overline{S}+I_{1}\cdot S}}
Z=\overline{\overline{I_{o}\cdot\overline{S}}\cdot\overline{I_{1}\cdot S}}

Os sinais de entrada são uma onda quadrada transmitida por um astável 555 e um sinal contínuo, controlado por uma chave, cujo valor é 5V ou 0. Uma chave de seleção determina qual sinal aparecerá na saída. Eis a lista completa de materiais:
- Placa de circuito impresso (PCI).
- Fios.
- 555.
- 74LS00.
- Capacitor eletrolítico de 100μF x 16V.
- Resistores: 1 de 1,5kΩ, 1 de 560Ω e 3 de 680Ω.
- 2 interruptores de 1 polo e 3 terminais.
- 3 LEDs.

Circuito com 74LS157
O 74LS157 é um chip com quatro multiplexadores 2 por 1, uma única entrada de seleção e um pino habilitador do chip, o STROBE. O datasheet está neste link. Uma chave de seleção determina a cor dos LEDs na saída. A lista completa de materiais:
- PCI.
- Fios.
- 2 chaves de um polo e 3 terminais.
- 555.
- 74LS157.
- Capacitor eletrolítico 100μ x 16V.
- Resistores: 2 de 680Ω, 1 de 1,5kΩ e 1 de 220Ω.
- 2 LEDs bicolores.


Circuito com 74LS151
O 74LS151 é um multiplexador com 8 entradas. Neste circuito, um astável 555 produz um sinal de alta frequência, este sinal vai para um 74LS193, que é um contador de 4 bits, para dividir a frequência do sinal nas 4 saídas. Eu já usei o 74LS193 em um dos meus antigos projetos.
Dois 74LS193 são colocados em cascata para produzir 8 sinais de frequências diferentes, que vão para as 8 entradas do multiplexador 74LS151. 3 botões enviam sinais digitais “0” ou “1” para as entradas de seleção, para determinar qual sinal aparecerá na saída. O capacitor eletrolítico serve para reduzir o ruído causado por interferência. A lista completa dos componentes:
- Fios.
- Protoboard.
- 555.
- 2 chips 74LS193.
- 74LS151.
- Capacitor cerâmico 47nF.
- Capacitor eletrolítico 100μF x 16V.
- Resistores: 1 de 220Ω, 1 de 33kΩ e 3 de 12kΩ.
- 3 botões tipo push button.
Vídeo dos circuitos multiplexadores
Também existe o inverso do multiplexador, o demultiplexador, que será assunto para outro post.




